Сортировка:
По умолчанию
Отображение:
Товаров:
12
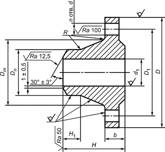
В обычных условиях наиболее надежное соединение обеспечивается сваркой встык разделанных под приварку торцов труб. Воротник фланца, таким образом, представляет собой торец трубы. Диаметр Dn совпадает с наружным диаметром трубы, а d1 – с внутренним. Однако d1 может быть изменен по требованию заказчика для совпадения с толщиной стенки трубы.
Фланцы по ГОСТ 12821-80 или типа 11 по ГОСТ 33259—2015 применяются на условное давление Ру от 0,1 до 20,0 МПа (от 1 до 200 кгс/см2) и температуру среды от 20 до 873 К (от минус 253 до плюс 600 °С) и изготавливаются из поковки, произведенной на российских заводах.
Фланцы предназначены для применения в соединениях с эластичными, металлическими зубчатыми, линзовыми, спирально-навитыми, асбометаллическими прокладками и прокладками овального сечения. То есть, уплотнительные поверхности могут обрабатываться под любое исполнение от 1 до 9 по ГОСТ 12815-80 или исполнения от А до М по ГОСТ 33259—2015.

















